灯座:它的作用是固定灯泡(或者灯管)。按其结构形式可分为螺丝口和卡口(插口)灯座;按其安装方式可分为吊式灯座(俗称灯头)、平灯座和管式灯座;按其外壳材料可分为胶木、瓷质和金属灯座;按其用途还可分为普通灯座、防水灯座、安全灯座和多用灯座等等。
开关:其作用是接通或断开电源的器件,一般称灯开关。根据安装形式分为明装式和暗装式。明装式有拉线开关、拨把开关(又称平开关)等,暗装式多采用拨把开关(也称跳板式开关)。按其结构分为单极开关、双极开关、三极开关、单控开关、双控开关、多控开关及旋转开关等。
插座:它的作用是为移动式照明电器、家用电器或其它用电设备提供电源。它连接方便、灵活多用,有明装和暗装之分,按其结构可分为单相双极双孔、单相三级三孔(有一极为保护接地或接零)和三相四极四孔(有一极为接零或接地)插座等。
挂线盒:或吊线盒的作用是用来悬挂吊灯或连接线路的,一般有塑料和瓷质两种。
灯罩:它的作用是为了控制光线,提高照明效率,使光线更加集中,灯罩的形式很多,按其材质可分为玻璃罩、搪瓷罩、薄铝罩等几种;按反射、透射扩散的作用,可分为直接式间接式和半间接式三种。在生产和生活照明中,常用的灯罩有锥形、塔形球形、防爆形、斜照形等几种。
电路是电流的通路,照明电路的作用是实现电能转换为光能。它包括电源、电灯、导线和开关等,电气照明的基本线路有以下几种:
-
一只单联开关控制一盏灯,如下图(A)所示。接线时,开关应接在相线(俗称火线)上,使开关切断后,灯头上没有电,以利安全。
-
两只双联开关在两个地方控制一盏灯,如下图(B)所示这种控制方式,通常用于楼梯处的电灯,在楼上和楼下都可以控制,有时也用于走廊电灯,在走廊的两头都可控制。
-
两只双联开关和一只三联开关在三个地方控制一盏灯,如下图(A)所示。这种方式一般用于楼梯和走廊。
-
36伏以下的局部照明电源,一般采用固定式降压变压器供电,接线方式如下图(B)所示。安装时,变压器的一次侧应装有熔断器和双刀开关,这样不仅能起保护变压器的作用,而且对二次侧短路也能起到保护作用,同时二次侧也应有保护外壳和低压侧应该接地或接零,以利安全。
照明电路施工图
上面介绍的电气照明基本电路用作施工的依据是不够的,这是因为图上并没有注明电气元件的规格、型号、安装要求、线路敷设方式以及其他一些特征。作为实际电路安装的依据,必须是根据国家颁布的有关电器技术标准和统一符号绘制的施工图。照明施工图常用的有两种:
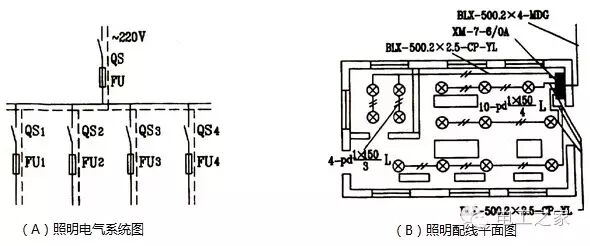
照明系统原理图,它表明电气系统各元件间的联接方式、电气系统的工作原理及其作用(不涉及电气元件的结构及安装情况)。如上图(A)所示。另一种是安装接线图,它是安装工程施工的主要图纸,是根据电气元件的实际结构和安装情况绘制的。安装接线图只考虑元件的安装配线而不明显地表示电气系统的动作原理,它往往与平面布置图画在一起,如上图(B)所示,它是工程技术的“语言”,只有看懂它,才能认识和确定图上画的是一些什么电气元件,它们之间应怎样连接和有什么技术要求等,以便照图备料和进行正确的安装。




